Innendämmung Konstruktionsdetails Fenster
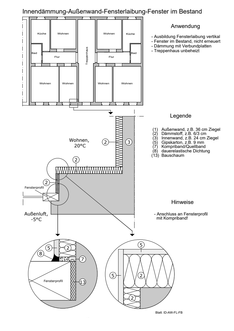
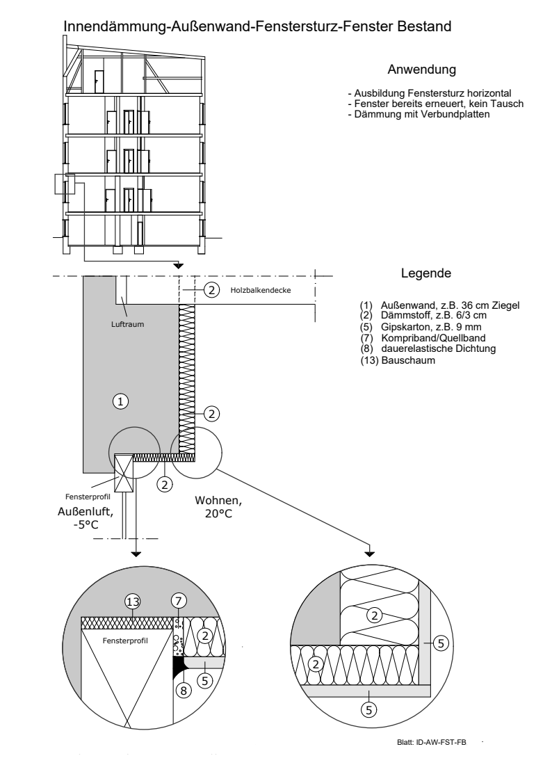
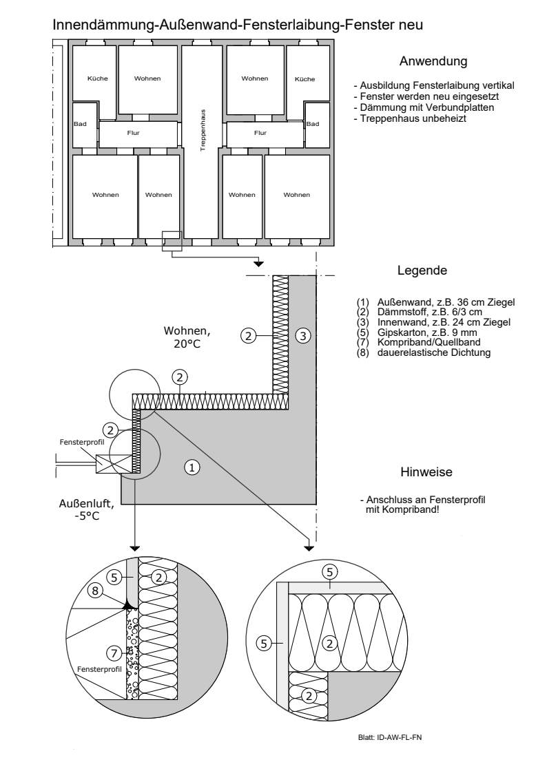
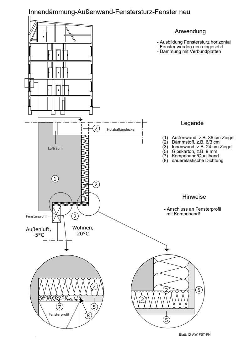
Die Wärmedämmung der Bereiche um Fenster und Türen herum ist sehr gewissenhaft durchzuführen. Bleiben auch noch so kleine Flächen ungedämmt, kommt es dort zu sehr niedrigen Oberflächentemperaturen, die die Gefahr der Befeuchtung und Schimmelbildung erhöhen.
#Innendämmung Außenwand, Fensterlaibung – Fenster im Bestand

#Innendämmung Außenwand, Fensterbrüstung – Fenster im Bestand

#Innendämmung Außenwand, Fenstersturz – Fenster im Bestand

#Innendämmung Außenwand, Fensterbrüstung – Fenster neu

#Innendämmung Außenwand, Fensterlaibung – Fenster neu

#Innendämmung Außenwand, Fenstersturz – Fenster neu

Kommentare
Noch keine Kommentare.
Kommentar hinterlassen